1
/
/
4
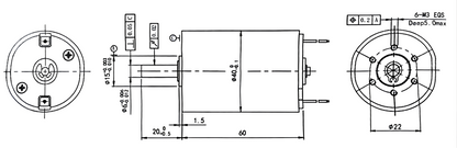
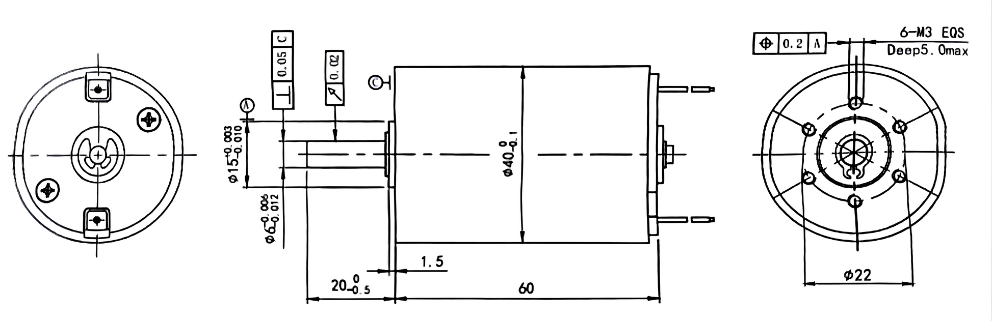
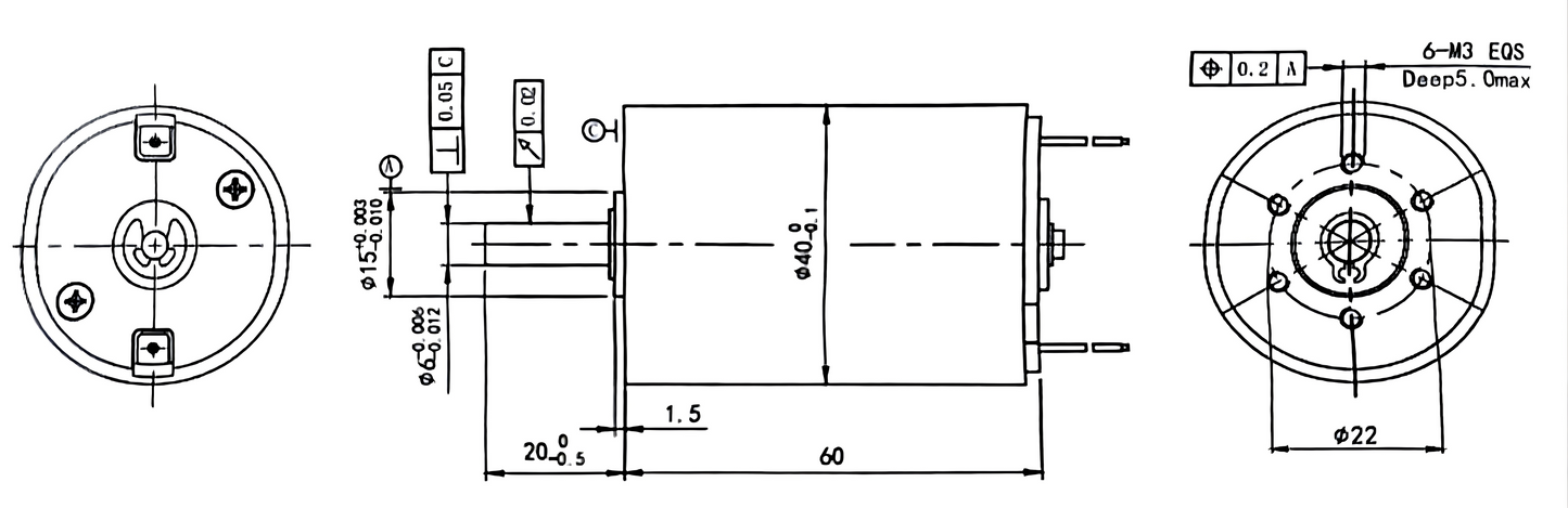
Φ40mm BDC
Φ40mm BDC
常规价格
$87.00
常规价格
促销价
$87.00
Product Applications: Power tailgate assist drive, FPV racing drones, centrifuge rotors, micro-vibration heads for beauty devices
Images are for reference only (customization services available)
Product features
Product features
Materials and care
Materials and care
Merchandising tips
Merchandising tips
Share
